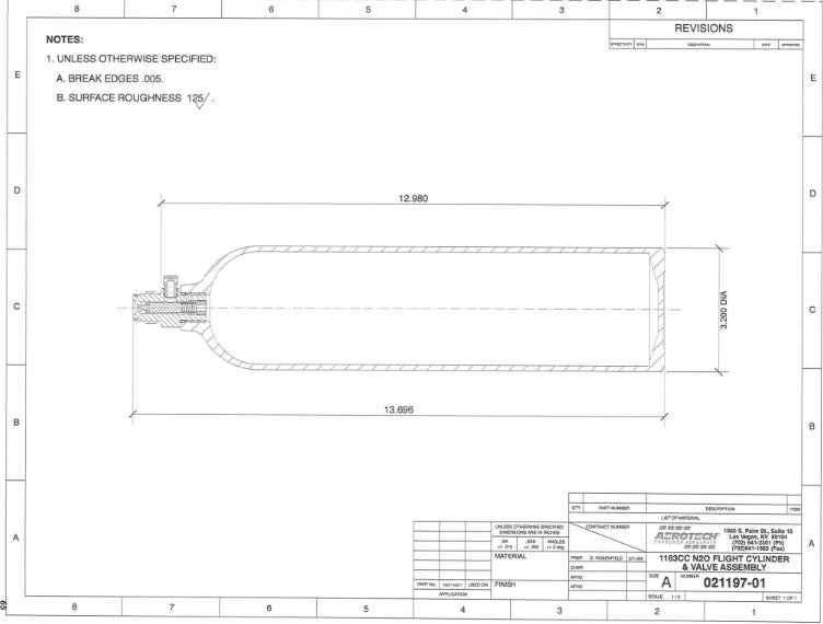
The 98mm hybrid flight tank is readily available in the original configuration if you know what to look for. They do not need to be new, as there are plenty of sources available. I searched around by size based on the original drawing. As you can see, it is 3.2″ in diameter, as it is limited by motor mount size.

That leads us to portable medical oxygen tanks; there are plenty of used tanks out there that have been refurbished by reputable used medical equipment dealers. The original tank diameter is 3.2 inches and the largest 3.2 tank is the M6, which is a match for the one in the plan pack. It has a 3/4-16 UNF thread for when you have the tank adapter made. A refurbished M6 O2 bottle can be had for about $50. The benefits of having one refurbished are that it has already been cleaned to O2 standards and will require minimal prep for the nitrous.

The original 98mm hybrid was a boosted composite that used white lightning grains. Since my revival project can use the original configuration, but due to the current supply constraints and lead times for grains from RCS, I will be using a paraffin/ paper mache style grain to make it a true hybrid rocket motor. Later on I could probably cast my own composite grains to reduce costs but AP is the supply constraint. This means I need to increase the supply of nitrous while still staying within the constraints of the motor tube. I came across a solution by using a filament wound composite tank that has a diameter of 96mm and has a 2 liter capicity. Made by Acecare, available from Amazon or Alibaba if you are not in a hurry and are a bit more cost-conscious. The drawbacks are that they have metric threads, 18mm – 1.5, and the bottom is rounded. Bonus: it weighs less than the original style and has a higher capacity.



Except for the custom tank adapters, everything else is off the shelf. Thus, keeping cost low-ish but with the current tariffs, so plan accordingly. Sometimes on Aliexpress, it is already in the U.S. warehouse, so you can get it rather quickly